Самарский охотник


Вернуться   Форум «Самарского Охотника» > Охотничье оружие > Гладкоствольное

Ответ
 
Опции темы
Старый 22.02.2013, 09:54   #381
Охотник
 
Аватар для Santehnik
 
Регистрация: 27.03.2011
Адрес: -
Сообщений: 288
По умолчанию

Цитата:
Сообщение от SHOOTER Посмотреть сообщение
Santehnik,
киньте фото, посмотрим, а вообще ствол МР-153 (если играть на свету им), то он весь снаружи волной - у кого менее, у кого более...
Попробую сегодня вечером! На Иж-27 идеально ровные, никаких волн!
Santehnik вне форума   Ответить с цитированием
Старый 22.02.2013, 10:06   #382
Охотник
 
Аватар для Жигулёвское небо
 
Регистрация: 08.02.2011
Адрес: Тлт
Сообщений: 3,061
Отправить сообщение для Жигулёвское небо с помощью ICQ
По умолчанию

У мну на ИЖ-81 тоже весь волнами, и вобще кривой, а притянешь болтом - ровный.
__________________
А песню-музыку не пою.
Просто камень о камень бью.
Просто небо стаканом пью,
Вот и шатает слегка...
Жигулёвское небо вне форума   Ответить с цитированием
Старый 22.02.2013, 10:17   #383
Охотник
 
Аватар для bmm1974
 
Регистрация: 21.08.2009
Адрес: Самара
Охотобщество: КВО №2 ПриВО
Сообщений: 201
По умолчанию

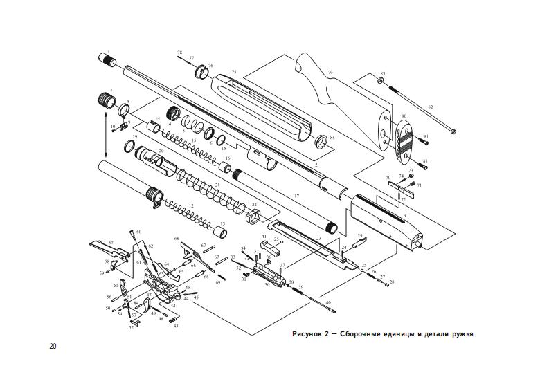
Как устранить шат приклада? У кого такая проблема возникала? В месте крепления приклада к ствольной коробке появился небольшой зазор и приклад стал шататься. Полную разборку ружья никогда не делал и УСМ ни разу не вынимал. Есть там какие нюансы? Пожалуйста подскажите, кто знает.
bmm1974 вне форума   Ответить с цитированием
Старый 22.02.2013, 11:11   #384
.......................
 
Аватар для SHOOTER
 
Регистрация: 25.10.2009
Адрес: Самарская область
Охотобщество: не состою (ОБЕФО)
Сообщений: 2,527
По умолчанию

bmm1974,
ну и в чем проблема? всего лишь снимите резиновый затыльник на прикладе и подтяните стяжной винт (на рисунке позиция К2). УСМ не влияет на шат приклада
Миниатюры
Нажмите на изображение для увеличения
Название: 3560866.jpg
Просмотров: 1073
Размер:	55.2 Кб
ID:	7040  
__________________
Каждый охотник - рыбак, но не каждый рыбак - охотник!!!!

Последний раз редактировалось SHOOTER; 22.02.2013 в 11:20.
SHOOTER вне форума   Ответить с цитированием
Старый 22.02.2013, 20:25   #385
Охотник
 
Аватар для crazy hanter
 
Регистрация: 22.02.2013
Адрес: Самара
Сообщений: 32
По умолчанию

[QUOTE=SHOOTER]Как устранить шат приклада? У кого такая проблема возникала? В месте крепления приклада к ствольной коробке появился небольшой зазор и приклад стал шататься. Полную разборку ружья никогда не делал и УСМ ни разу не вынимал. Есть там какие нюансы? Пожалуйста подскажите, кто знает.
Подтяните винт он там один, а УСМ стоит почистить.
crazy hanter вне форума   Ответить с цитированием
Старый 22.02.2013, 21:41   #386
Охотник
 
Аватар для Жигулёвское небо
 
Регистрация: 08.02.2011
Адрес: Тлт
Сообщений: 3,061
Отправить сообщение для Жигулёвское небо с помощью ICQ
По умолчанию

Цитата:
Сообщение от bmm1974
УСМ ни разу не вынимал.
Чё там вынимать то? Вытолкнул 2 штифта и УСМ вниз выпадает.
Кстати, не знаю как на МР, а на своём Ижике сделал одну весч. Не нравился мне выступающий из ствольной коробки передний край лотка подавателя. На конци переднего штифта (УСМ) надел по кусочку кембрика, лоток выступать перестал. И при опускании нет металического стука. В остальном ничё не изменилось, подаёт штатно.
__________________
А песню-музыку не пою.
Просто камень о камень бью.
Просто небо стаканом пью,
Вот и шатает слегка...
Жигулёвское небо вне форума   Ответить с цитированием
Старый 25.02.2013, 18:55   #387
Охотник
 
Аватар для bmm1974
 
Регистрация: 21.08.2009
Адрес: Самара
Охотобщество: КВО №2 ПриВО
Сообщений: 201
По умолчанию

Цитата:
Сообщение от SHOOTER
ну и в чем проблема? всего лишь снимите резиновый затыльник на прикладе и подтяните стяжной винт (на рисунке позиция К2). УСМ не влияет на шат приклада
Спасибо, разобрался. Шат устранен.
bmm1974 вне форума   Ответить с цитированием
Старый 07.03.2013, 01:05   #388
Охотник
 
Аватар для КУЗМИЧ
 
Регистрация: 12.09.2012
Адрес: тольятти-центр
Сообщений: 3,093
Отправить сообщение для КУЗМИЧ с помощью ICQ Отправить сообщение для КУЗМИЧ с помощью Skype™
По умолчанию

уважаемые знатоки, в частности мурководы! Подскажите расскажите посоветуйте, стоит ли брать данный аппарат для наших мест? Тут в принципе ружье оно как ружье, все что мне надо орех ствол 750, дульные насадки Это Понятно есть везде.плюс штучник на что конечно я не расчитывал.думал про простое но в орехе. Но Вот патронник 89:-( вроде где то разговор велся уже.может на форуме читал может в просторах инета искать с телефона не хочется.что не очень с таким стрелять простыми 70мм.так как Это под стальную дробь.Аппарат новый вроде.даже в смазке. Причина продажи, для владельца слишком большое было Это его первое ружье купил с дури не подумал. Сейчас пользует другое Это лежит. Недавно смотрел видео про оружие и там был разговор о выступе.это который в патроннике. Что если патронник 76 а стреляеш 70 патронами то уже в этот момент об этот выступ при выстреле дробь начинает деформироваться что не есть гуд. А тут 89.
Миниатюры
Нажмите на изображение для увеличения
Название: 1ohotniche-ruzhe-mr153_1.jpg
Просмотров: 1112
Размер:	94.8 Кб
ID:	7196   Нажмите на изображение для увеличения
Название: 2ohotniche-ruzhe-mr1531289-11480147_1.jpg
Просмотров: 1088
Размер:	97.3 Кб
ID:	7197   Нажмите на изображение для увеличения
Название: 3ohotniche-ruzhe-mr1531289-11480142_1.jpg
Просмотров: 1043
Размер:	97.4 Кб
ID:	7198   Нажмите на изображение для увеличения
Название: 4ohotniche-ruzhe-mr1531289-11480152_1.jpg
Просмотров: 967
Размер:	49.3 Кб
ID:	7199   Нажмите на изображение для увеличения
Название: 5ohotniche-ruzhe-mr1531289-11480157_1.jpg
Просмотров: 731
Размер:	91.7 Кб
ID:	7200  

__________________
Всегда есть кто то лучше чем ты!
КУЗМИЧ вне форума   Ответить с цитированием
Старый 07.03.2013, 01:20   #389
Охотник
 
Аватар для Мак163
 
Регистрация: 08.12.2010
Адрес: г. Самара
Охотобщество: Департамент охоты и рыболовства Самарской области
Сообщений: 1,606
По умолчанию

Если цена гуд, то бери и не думай про патронник! Разницы в длинне патронника не увидешь!!!
Мак163 вне форума   Ответить с цитированием
Старый 07.03.2013, 02:09   #390
Охотник
 
Аватар для КУЗМИЧ
 
Регистрация: 12.09.2012
Адрес: тольятти-центр
Сообщений: 3,093
Отправить сообщение для КУЗМИЧ с помощью ICQ Отправить сообщение для КУЗМИЧ с помощью Skype™
По умолчанию

какая цена для этого ружья нормальная? Такие же ружья делаются на экспорт? Значит качеством лучше , ресурс выше?
__________________
Всегда есть кто то лучше чем ты!
КУЗМИЧ вне форума   Ответить с цитированием
Ответ


Здесь присутствуют: 2 (пользователей: 0 , гостей: 2)
 

Ваши права в разделе
Вы не можете создавать новые темы
Вы не можете отвечать в темах
Вы не можете прикреплять вложения
Вы не можете редактировать свои сообщения

BB коды Вкл.
Смайлы Вкл.
[IMG] код Вкл.
HTML код Выкл.

Быстрый переход


Текущее время: 05:44. Часовой пояс GMT +4.


Powеrеd by vВullеtin® Version 3.8.4
Copyright ©2000 - 2026, Jеlsоft Entеrprises Ltd. Перевод zCarot